お問い合わせ サイトマップ

AJ2i
            

                                 
関連部品

注意) 販売価格にはチェーン・取付けボルト・
ローラ関連部品・ガイド部は含んでいません。
不明な点、詳細に付きましてはお気軽に
お問い合せ
下さい。
    
「特許登録済み」
                                       
特徴
         
  • Φ48ローラを使用した軽荷重用アキュームローラセンタフリクションタイプのコンベヤです。
  • 最小ローラピッチが50mmまで可能です。li>
  • ローラ表面は焼き入れ後硬質Crメッキが施されているため、耐磨耗性に優れています。
  • 搬送力を高めたローレット処理ローラも有ります。
  • ローラ巾が広いため加工機間コンベヤとしてシリンダブロック等のワークダイレクト搬送に適しています。
  • ローラ軸受部はブッシュタイプを使用しているため、クーラントがかかるような環境でも耐久性が優れています。
  • ローラ軸受部はブッシュタイプを使用しているため、クーラントがかかるような環境でも耐久性が優れています。
  • 端末部ユニットを別途製作しておけば、コンベヤフレームを所定長さに切断するだけで組立できるので現場での組立が可能です。
     
                                       
仕様
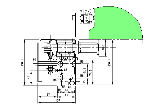
+ 搬送部 Φ48アキュームローラ
センタフリクションタイプ
Φ48×W55.5アキュームローラ
センタフリクションタイプ
Φ48×W25樹脂製アキュームローラ
センタフリクションタイプ
Φ40×W20樹脂ローラ
+ 断面二次モーメント
(cm4)
X: 115.0 、Y: 62.0
+ 断面係数(cm3) X: 25.3、Y: 13.4
+ 標準フレーム長さ 3m

AJ2i-A
3DCADデータが必要な方はコチラからお問合せ下さい。
パスワードをお忘れの方はコチラからお問合せ下さい。

特徴
  • Φ48アキュームローラセンタフリクションタイプを使用したAJ2iの両持タイプです。
  • ローラ巾は都度指定で、1列ローラタイプと2列ローラタイプがあります。
仕様
+ 搬送部 Φ48アキュームローラセンタフリクションタイプ
+ 標準ワーク巾(mm) 00-400
+ 標準搬送荷重(kg/m) 170
+ 販売価格(1mあたり1本) 準備中ですのでお問い合せ下さい。
+ ローラ1ユニット 準備中ですのでお問い合せ下さい。
関連部品
パイプガイド、パイプガイド取付フレーム、中間駆動部、端末ユニット、端末カバー

注意) 販売価格にはチェーン・取付けボルト・ローラ関連部品・ガイド部は含んでいません。不明な点、詳細に付きましては
お気軽にお問い合せ下さい。
         

AJ2i-B
3DCADデータが必要な方はコチラからお問合せ下さい。
パスワードをお忘れの方はコチラからお問合せ下さい。

特徴
  • Φ48XW55.5アキュームローラセンタフリクションタイプを使用したAJ2iの片持2軸2列ローラタイプです。
仕様
+ 搬送部 Φ48×W55.5アキュームローラセンタフリクションタイプ
+ 標準ワーク巾(mm) 200-500
+ 標準搬送荷重(kg/m) 100
+ 販売価格(1mあたり1本) 準備中ですのでお問い合せ下さい。
+ ローラ1ユニット 準備中ですのでお問い合せ下さい。
関連部品
パイプガイド、パイプガイド取付フレーム、中間駆動部、端末ユニット、端末カバー

注意) 販売価格にはチェーン・取付けボルト・ローラ関連部品・ガイド部は含んでいません。不明な点、詳細に付きましては
お気軽にお問い合せ下さい。
         

AJ2i-C
3DCADデータが必要な方はコチラからお問合せ下さい。
パスワードをお忘れの方はコチラからお問合せ下さい。

特徴
  • Φ48XW55.5アキュームローラセンタフリクションタイプを使用したAJ2iの片持2軸2列ローラタイプです。
  •   
  • 軸受にシール付を取り付けたタイプで、汚れたクーラントや油がかかる環境での耐久性が優れています。
仕様
+ 搬送部 Φ48×W55.5アキュームローラセンタフリクションタイプ
+ 標準ワーク巾(mm) 200-400
+ 標準搬送荷重(kg/m) 170
+ 販売価格(1mあたり1本) 準備中ですのでお問い合せ下さい。
+ ローラ1ユニット 準備中ですのでお問い合せ下さい。
関連部品
パイプガイド、パイプガイド取付フレーム、中間駆動部、端末ユニット、端末カバー、

注意) 販売価格にはチェーン・取付けボルト・ローラ関連部品・ガイド部は含んでいません。不明な点、詳細に付きましては
お気軽にお問い合せ下さい。
         

AJ2i-D
3DCADデータが必要な方はコチラからお問合せ下さい。
パスワードをお忘れの方はコチラからお問合せ下さい。

特徴
  • Φ40×W25樹脂アキュームローラセンタフリクションタイプを使用したAJ2iのクリーン仕様です。
  •   
  • ローラは樹脂、ローラ軸とスプロケットはSUS、チェーンはプラチェーンを使用しており、クリーン環境での軽量パレット等の搬送に応用も可能です。
仕様
+ 搬送部 Φ48×W25樹脂製アキュームローラセンタフリクションタイプ
+ 標準ワーク巾(mm) 200-400
+ 標準搬送荷重(kg/m) 35
+ 販売価格(1mあたり1本) 準備中ですのでお問い合せ下さい。
+ ローラ1ユニット 準備中ですのでお問い合せ下さい。
関連部品
パイプガイド、パイプガイド取付フレーム、中間駆動部、端末ユニット、端末カバー、

注意) 販売価格にはチェーン・取付けボルト・ローラ関連部品・ガイド部は含んでいません。不明な点、詳細に付きましては
お気軽にお問い合せ下さい。
         

AJ2i-E
3DCADデータが必要な方はコチラからお問合せ下さい。
パスワードをお忘れの方はコチラからお問合せ下さい。

特徴
  • Φ40×W25樹脂ローラを使用したAJ2iのクリーン仕様です。
  •   
  • ローラは樹脂、ローラ軸はSUS、駆動はVベルトを使用しています。
仕様
+ 搬送部 Φ40×W20樹脂ローラ
+ 標準ワーク巾(mm) 800-1200
+ 標準搬送荷重(kg/m) 20
+ 販売価格(1mあたり1本) 準備中ですのでお問い合せ下さい。
+ ローラ1ユニット 準備中ですのでお問い合せ下さい。
関連部品
パイプガイド、パイプガイド取付フレーム、中間駆動部、端末ユニット、端末カバー、

注意) 販売価格にはチェーン・取付けボルト・ローラ関連部品・ガイド部は含んでいません。不明な点、詳細に付きましては
お気軽にお問い合せ下さい。
         

株式会社 日本設計工業